Login
Login
Username / Email
Password
Forgot Your Password?
New Password
Confirm Password
Notification Email Address
Remember email
Continue with Email
Login
Change Password
Want to order online?
If you
are
a Velox customer but don't have a web account,
click here to register.
Search
Product Categories
Accessories
Safety
Alarms
Operator Checklist
Mirrors
Camera Systems
Hand Pallet Jacks
RAM Mounts
Seating
Seats
Seat Belts
Weight Scales
Attachment
Sideshift Parts
Fork Tynes
Load Guards
Battery
Battery Watering Systems
Battery Connectors
SRX / SRE Connectors
EURO Connectors
SR Connectors
SRE Connectors
SRX Connectors
Reducing Bushes
Battery Charging
Terminals
Connector Links
Battery Thimbles
3 Phase Plugs
Brake
Hardware
Brake Pedal
Brake Cables
Brake Assemblies
Brake Drums
Brake Shoes
Brake Lines
Wheel Cylinder
Hand Brake Assemblies
Master Cylinder
Chassis
Bonnet
Bonnet Gas Strut
Dash Panel
Decals
Chassis Accessories
Fender Covers
Chassis Panels
Floor Mats
Overhead Guard
Radiator Cover Panel
Tail Light Covers
Consumables
Fluids & Sprays
Transmission Hose
Tape
Rags
Heater Hose
Hose Clamps
Cooling
Water Pumps
Radiator Hoses
Engine Fans
Drive
Fan Belts
Fan Covers
Radiators
Radiator Caps
Cushions & Mounts
Reservoir Tanks
Thermostats
Engine
Ignition
Lead sets
Condensors
Distributors
Distributor Caps
Coils
Modules
Points
Injectors
Rotors
Spark Plugs
Alternators
Belts & Tensioners
Camshaft/Crankshaft
Cylinder Heads
Components
Mounts
Gaskets
Gasket Kits
Timing Cover
Head Gasket
Manifold
Rocker Cover
Glow Plugs
Oil Pumps
Starter Motors
Drive
Hub & Axle Seals
Drive Assembly
Wheel Bearings
Studs & Nuts
Wheel Rims
Electrical
Sensors
Accelerator
Other
Mast
Steer
Encoder Bearings
Engine
Switches
Micro
Directional
Brake
Horn
Emergency Stop
Flasher Relay
Head Light
Ignition
Lift
Toggle
Neutral Start
Oil Pressure Switch
Relay
Combination
Indicator
Mast
Water Temperature Sender
Gauges
Battery Discharge
Hour Meter
Fuses
Motor
Carbon Brushes
Dash Displays
Contactors
Contacts
Contact Kits
Solenoids
Controllers
Fans
Horns
Contacts
Motors
Cable
Hydraulic
Chains & Gears
Control Valves & Levers
Propeller Shafts
Hydraulic Pumps
Exhaust
Mufflers
Components
Exhaust
Tail Pipes
Filter
Air Cleaners
Air
Fuel
Transmission
Hydraulic
Oil
Pre-Cleaner
Fuel
Accelerator
Cables
Pedals
Carburetor
Components
Fuel Pump
Primer Pumps
Governor
Injectors
Gas
Injectors
Fittings
Lock Offs
Converters
Switches
Mixers
Gas Bottle Brackets
Filter Kits and Assemblies
Hoses
Compliance Plates
Transmission
Inching Pedal
Differential
Charge Pumps
Control Valves
Flywheels & Ring Gears
Plates & Discs
Gasket Kits
Inching Cables
Torque Converters
Mounts & Components
Lighting
Strobe Lights
Perimeter Lights
Tail Light Assemblies
Front Indicator
Bulbs & Globes
Rotating Lights
Worklights
Mast
Mast Rollers
Pulleys
Lift Chain
Tilt Cylinder
Lift Cylinder
Mast Pivot Bushes
Steer
Wheel Bearings
Steer Axle
Power Steer
Centre Pins & Kits
Steer Link, Pin & Bushes
King Pins & Kits
Hub Caps
Seal Kits
Hub Seals
Steer Column
Wheel Rims
Clearance Sale
Our Store
About Us
Privacy Policy
Terms and Conditions
Quote Request
New Products
About Us
Contact Us
Electrical
Contactors
Contactor Assembly - Bypass
Contactors
Zoom
Zoom
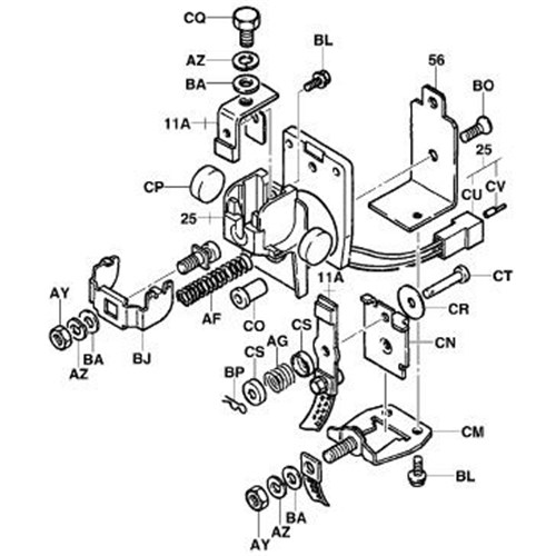
Contactor Assembly - Bypass
Velox Code: 712788
Out Of Stock
Stock Availability Notification
Product codes
Notification Email Address
Register/Login for pricing
Products to compare:
Compare Selected
Remove All
Print
Comparing
Products